Mir Zamkov, оптовая торговля

Wholesale and retail sales of locks and hardware for metal and wooden doors

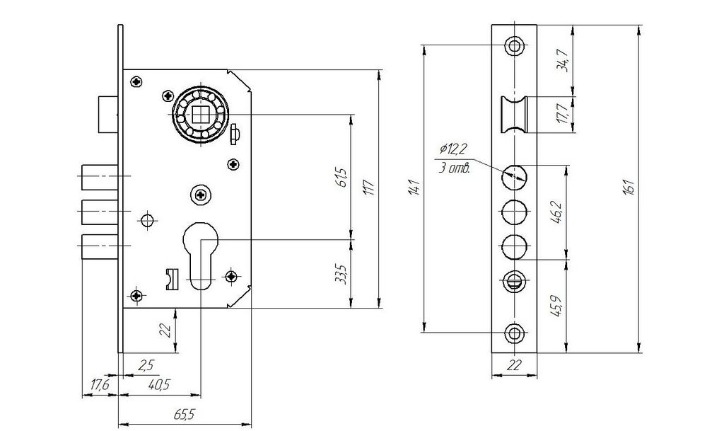
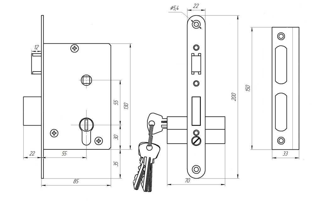
Замки врезные с Фиксатором

С одной секретностью

Герион

ЭКО-НОРА-М